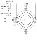
THW-6-N1/2-A4-L030Accesorios100028838Tipo de accesorioTubo protectorMaterial de la cubiertaAcero inoxidable