chevron_left
Menu
Turck
search
Cargando
add_shopping_cart
Home
Products
person
Inicio de sesión
FP100-300L-30-NA-H1141 | TURCK - Your Global Automation Partner
Flujómetro
FP100-300L-30-NA-H1141
Número de ID del pedido 100001044
home
Home
Loading...
Datos técnicos
Grado de protección
IP66, IP67, IP69K
Aprobaciones
CE, cULus
Diseño
Sin indicador (sonda integrada)
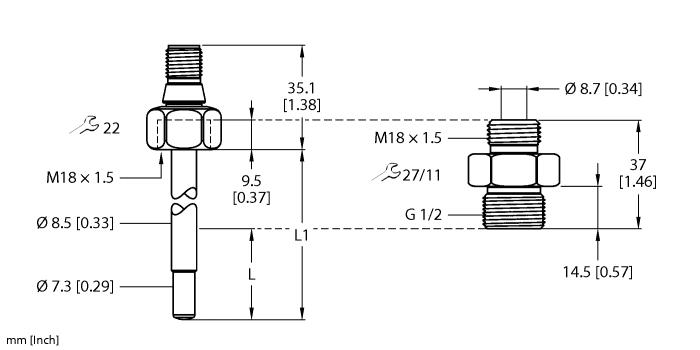
Profundidad de inmersión L (mm)
16.9
Medio
fluidos
Conexión eléctrica
Conectores
Tipo de conector
M12 × 1
Material de la cubierta
Acero inoxidable
Calidad de la carcasa
1,4571 (AISI 316Ti)
Temperatura del medio mín. (°C)
-25
Temperatura del medio máx. (°C)
85
Temperatura ambiente mín. (°C)
-40
Temperatura ambiente máx. (°C)
80
Condiciones de montaje
Sensor de inmersión
Características clave
Profundidad de inmersión L (mm)
16.9
En Stock
Grupo de precios
D2
Precio de lista
381,57 US$
home
Turck-Shop
Sensores
Sensores de flujo/medidores de flujo
FP100-300L-30-NA-H1141
Total Producto/s
381,57 US$
Cantidad
−
+
add_shopping_cart
Agregar al Carrito
Contactar a soporte