- Aprobaciones
- CE, EHEDG
- Calidad de la carcasa
- 1.4404 (AISI 316L)
- Condiciones de montaje
- Sensor de inmersión
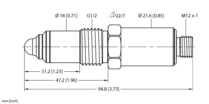
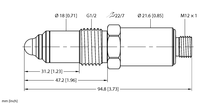
- Conexión de procesos
- Rosca macho G 1/2”, higiénica
- Conexión eléctrica
- Conector
- Diseño
- Tubo roscado
- Función
- Detección de nivel
- Función del elemento conmutador
- NO/NC
- Grado de protección
- IP67, IP69K
- Material de la cubierta
- Acero inoxidable
- Materiales (contacto con los medios)
- Plástico, PEEK
- Medidas
- 94,8 mm x 22 mm x 22 mm
- Medio
- líquidos, Productos a granel
- Modo de detección
- contacto con el medio
- Principio de medición
- Capacitivo
- Protocolo de comunicación
- IO-Link
- Salida eléctrica
- 1 x salida de conmutación, 2 x salidas de conmutación, IO-Link, Salida de conmutación
- Salida eléctrica
- NPN
- Temperatura ambiente máx. (°C)
- 70
- Temperatura ambiente mín. (°C)
- -10
- Temperatura del medio máx. (°C)
- 100
- Temperatura del medio mín. (°C)
- 0
- Tensión de servicio
- CC
- Tipo de conector
- M12 x 1